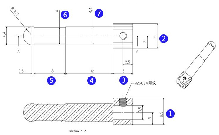
铜螺旋轴
类型:数控车床机加工
加工贸易形式:来料加工
打样周期:1-3天
加工周期:1-3天
年大加工能力:1000(件)
年剩余加工能力:100(件)




联系人:余女士
电话:0755-61527009
手机:13410280632
传真:0755-61527009
地址:深圳市宝安区西乡三围贤顺工业区A栋一楼
邮箱:190163135@qq.com
微信:yu190163135
铜螺旋轴
您的位置:首页 > 产品展示 > CNC数控车 铣加工铜螺旋轴
铜螺旋轴
类型:数控车床机加工
加工贸易形式:来料加工
打样周期:1-3天
加工周期:1-3天
年大加工能力:1000(件)
年剩余加工能力:100(件)



